Passa al contenuto principale Salta alla ricerca Passa alla navigazione principale
Spedizione gratuita da 399 €
Partner di servizio per oltre 50 produttori
Oltre 40.000 pezzi di ricambio nella gamma
+10 anni di esperienza

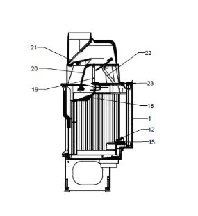
Leda Karat 512 D coperchio scatola aria

coperchio scatola aria /  coperchio aria / protezione / coperchio cassetta aria

 

Info sui prodotti "Leda Karat 512 D coperchio scatola aria"

originale coperchio scatola aria per inserto per caminetto Leda Karat 512 D

  • Per i modelli a partire dall'anno di fabbricazione 03/2006 e per i modelli fino al 03/2006 in cui viene installato il kit di conversione.

Leda Karat 512 D coperchio scatola aria dati chiave:

  • protezione, coperchio cassetta aria
  • dimensioni (L/L/A) 450 mm x 73 mm x 17 mm
  • posizione 15 nel disegno esploso
Eigenschaften "Leda Karat 512 D coperchio scatola aria"
Produttore: Leda
genere: 512 D
modello: Karat
tipo di pezzo di ricambio: coperchio scatola aria

Rappresentante dell'UE

LEDA Werk GmbH & Co.KG Boekhoff & Co.
Groninger Str 10
26789 Leer
DE
info@www.leda.de

Prodotti simili

Leda Karat 512 D vetro
originale vetro per inserto per caminetto Leda Karat 512 D Leda Karat 512 D vetro dati chiave: dimensioni (L/L) 430 mm x 566,2 mm materiale vetro forma curvo resistente al calore
Numero di prodotto: 01004052

1.014,20 €*¹

tempi di consegna ca. 5-6 settimane

Solo 1 disponibili
Leda Karat 512 D guarnizione set
guarnizione set per inserto per caminetto Leda Karat 512 D Per applicare il silicone è necessaria una pressa a cartuccia. set da 8 Leda Karat 512 D guarnizione dati chiave: guarnizione per vetro Guarnizione a cordone senz'anima Diametro 8 mm Lunghezza 3 m autoadesivo guarnizione sportello Cordone sigillante Diametro 10 mm Lunghezza 3 m Manicotto di tenuta (collega le estremità della guarnizione della porta) Volume di consegna 1 pezzo Fascetta di tenuta per la guarnizione della porta (evita lo sfilacciamento delle estremità del cordone di tenuta) Volume di consegna 4 strisce Silicone per il fissaggio della guarnizione della porta Volume di consegna 1 cartuccia
Numero di prodotto: 01034144

57,73 €*¹

Disponibile, tempi di consegna: 4-6 giorni

Leda Karat 512 D kit di conversione
originale kit di conversione per stufa a legna Leda Karat 512 D Per i modelli fino all'anno di fabbricazione 02/2006 Il produttore ha interrotto la produzione delle pietre della camera di combustione per i modelli fino all'anno di fabbricazione 02/2006. È stata creata un'alternativa. Con l'uso del kit di conversione, è possibile utilizzare i mattoni della camera di combustione per gli apparecchi prodotti a partire dal 03/2006. Quando si converte a questi "nuovi" mattoni per la prima volta, è necessario ordinare il set di conversione una volta. Ambito di consegna: kit di conversione e rivestimento del focolare abbinato set da 12 Leda Karat 512 D kit di conversione dati chiave: Kit di conversione, rivestimento della camera di combustione, pietre della camera di combustione Materiale chamotte Piastrella per pavimento a sinistra (250/300 x 161/190 x 35 mm), piastrella per pavimento a destra (250/300 x 161/190 x 35 mm) Pietra laterale anteriore sinistra (464 x 134 x 39 mm), pietra laterale anteriore destra (464 x 134 x 39 mm) Pietra laterale posteriore sinistra (145 x 465 x 40 mm), pietra laterale posteriore destra (145 x 465 x 40 mm) Mattone della parete posteriore sotto (100 x 370 x 25/40 mm), mattone della parete posteriore al centro (370 x 145 x 40 mm) Pietra parete posteriore sopra (370 x 160 x 40 mm) Materiale colato ferma legna coperchio scatola aria Deflettore di tiraggio (398 x 75 mm) La foto mostra solo le pietre della camera di combustione, i pezzi di ricambio fusi non sono mostrati
Numero di prodotto: 01035409

931,45 €*¹

tempi di consegna ca. 5-6 settimane